Только до 30 апреля,
-22% на водонагреватели из нержавеющей стали объемом 500 литров
Бесплатный звонок по РФ
8 800 100-24-65
Магазины и сервис в городе
Выбрать
К сравнению
Магазины и сервис в городе
Выбрать
inbox@nvsk.net

Электрический котел 25 кВт Комфорт

96 000

Электрический котел 25 кВт модели Комфорт идеально подходит для автономного отопления загородных домов, коттеджей, бань, детских садов и других видов помещений. Удобный в использовании и легко подключаемый, электрокотел 25 кВт уже содержит в себе элементы группы безопасности: предохранительный клапан, воздухоотводчик, манометр. Снабжен цифровым терморегулятором с дисплеем, микропроцессорным управлением с ПИ-регулированием и датчиком комнатной температуры.

Предусмотрена возможность для подключения погодозависимого контроллера и GSM-управления. Данный электрокотел мощностью 25 кВт станет надёжным источником тепла в Вашем доме.

Гарантия производителя 24 месяцев
Сертификат соответствия Таможенного союза
Артикул
КЭН-К-25
Номинальное напряжение питания ±10%
400
Преимущества
Котел-моноблок
Котел-моноблок
Котел выполнен в одном корпусе с блоком управления, что упрощает монтаж и экономит пространство. Для начала работы достаточно подключить котел к системе отопления и подвести питание.
Нержавеющий блок-ТЭН
Нержавеющий блок-ТЭН
Нержавеющий блок-ТЭНы, установленные в латунную или стальную гайку, не подвержены коррозии, уплотняются фторопластовой прокладкой.
Крепление ТЭНов на общей гайке
Крепление ТЭНов на общей гайке
Блок-ТЭНы состоят из 3-х ТЭНов, установленных в общую латунную или стальную гайку. Блок-ТЭНы, в отличие от ТЭНов на фланце удобны в эксплуатации и техническом обслуживании
Защита внутренних элементов
Защита внутренних элементов
Дополнительная теплоизоляция позволяет лучше сохранять тепло в котле увеличивая его КПД. Защищают внутренние элементы котла от перегревания.
Защита от перегрузок
Защита от перегрузок
Автоматические выключатели предназначены для защиты электрических цепей от перегрузок и токов короткого замыкания, а также для оперативного управления участками электрических цепей.
Защита от перегрева
Защита от перегрева
Электрический котел снабжен термоограничителем, который отключает электронагреватель по достижении предельной температуры воды, что позволяет избежать перегрева теплоносителя.
Цифровой терморегулятор
Цифровой терморегулятор
Высокая цифровая точность регулирования и поддержания температуры теплоносителя в электрокотле.
Управление по темп. помещения
Управление по темп. помещения
В состав котла входит датчик комнатной температуры. Управление температурным режимом повышает экономичность котла и создает комфортные условия в помещении.
Манометр
Манометр
Манометр позволяет контролировать давление в котле.
Автоматический воздухоудалитель
Автоматический воздухоудалитель
Автоматический воздухоудалитель исключает образование в котле воздушной пробки и как следствие остановки циркуляции.
Предохранительный клапан
Предохранительный клапан
Предохранительный клапан предназначен для автоматического сброса давления сверх допустимого, путем выпуска рабочей среды в атмосферу.
Защита от слива теплоносителя
Защита от слива теплоносителя
В верхней части корпуса прибора установлен датчик уровня (наличия теплоносителя), он обеспечивает отключение питания электрокотла в случае отсутствия теплоносителя в баке.
Ступени мощности
Ступени мощности
Несколько ступеней мощности делают регулировку температуры более плавной. Включение и выключение ступеней осуществляется каскадно – с задержкой нагрузка на контакторы и общую сеть снижается.
Возможность подключения комнатного термостата
Возможность подключения комнатного термостата
Комнатный термостат устанавливается в контрольном помещении и обеспечивает постоянство температуры во всем доме.
Возможность подключения недельного программатора
Возможность подключения недельного программатора
Недельный программатор работает по принципу комнатного термостата, но позволяет дополнительно выставлять изменение температуры на всю неделю по часам, что значительно экономит ресурсы котла.
Удобство установки
Удобство установки
Экономия пространства помещения за счет малых габаритов котла. Удобство монтажа и подключения, кронштейн крепления к стене в комплекте.
Возможность применения незамерзающей жидкости
Возможность применения незамерзающей жидкости
В электрокотлах "Невский" используются высококачественные ТЭНы из нержавеющей стали, что позволяет использовать в качестве теплоносителя как воду, так и незамерзающие гликолевые жидкости.
Экологичность
Экологичность
Электрокотлы безопаснее, чем твердотопливные или жидкотопливные, не выделяют дыма и угарного газа, не требуют чистки. Электрокотлы можно использовать, как основной или резервный источник тепла.
Возможность подключения автоматики котла
Возможность подключения автоматики котла
Установив контроллер "Невский", Вы можете не беспокоиться о колебаниях уличной температуры. Контроллер отследит температурные изменения на улице и в соответствии с этим подаст нужную команду котлу. Суммарная экономия электроэнергии в течение отопительного сезона при применении контроллера составляет 25-35%
Технические характеристики
ХАРАКТЕРИСТИКИ ПОКАЗАТЕЛИ ЕДИНИЦЫ ИЗМЕРЕНИЯ
Артикул КЭН-К-25
Номинальная мощность, ±5% 25 кВт
Номинальное напряжение питания ±10% 400 В
Максимальное давление 0,3 [3] МПа [Bar]
Высота бака котла 680 мм
Ширина бака котла 390 мм
Глубина бака котла 115 мм
1-я ступень 8,3 кВт
2-я ступень 8,3 кВт
3-я ступень 8,3 кВт
Диапазон регулирования температуры теплоносителя 5 - 90 ºC
Номинальный ток автоматического выключателя, при напряжении питания 400 В 63 А
Требуемая площадь поперечного сечения медного провода подводящего кабеля, при напряжении питания 400 В 10 мм²
Рекомендуемая отапливаемая площадь при высоте потолков не более 2,7м; t нар. -25°С 250 м²
Присоединительная резьба вход/выход тр. G 1” дюйм
Давление настройки пред. клапана 3 Bar
Объем бака 8,4 л
Масса 25 кг
Объем в упаковке. Котел + ШАУ 0,03 м³
Устройство
Устройство КЭН-К-2
Габариты
Электрический котел 25 кВт Комфорт
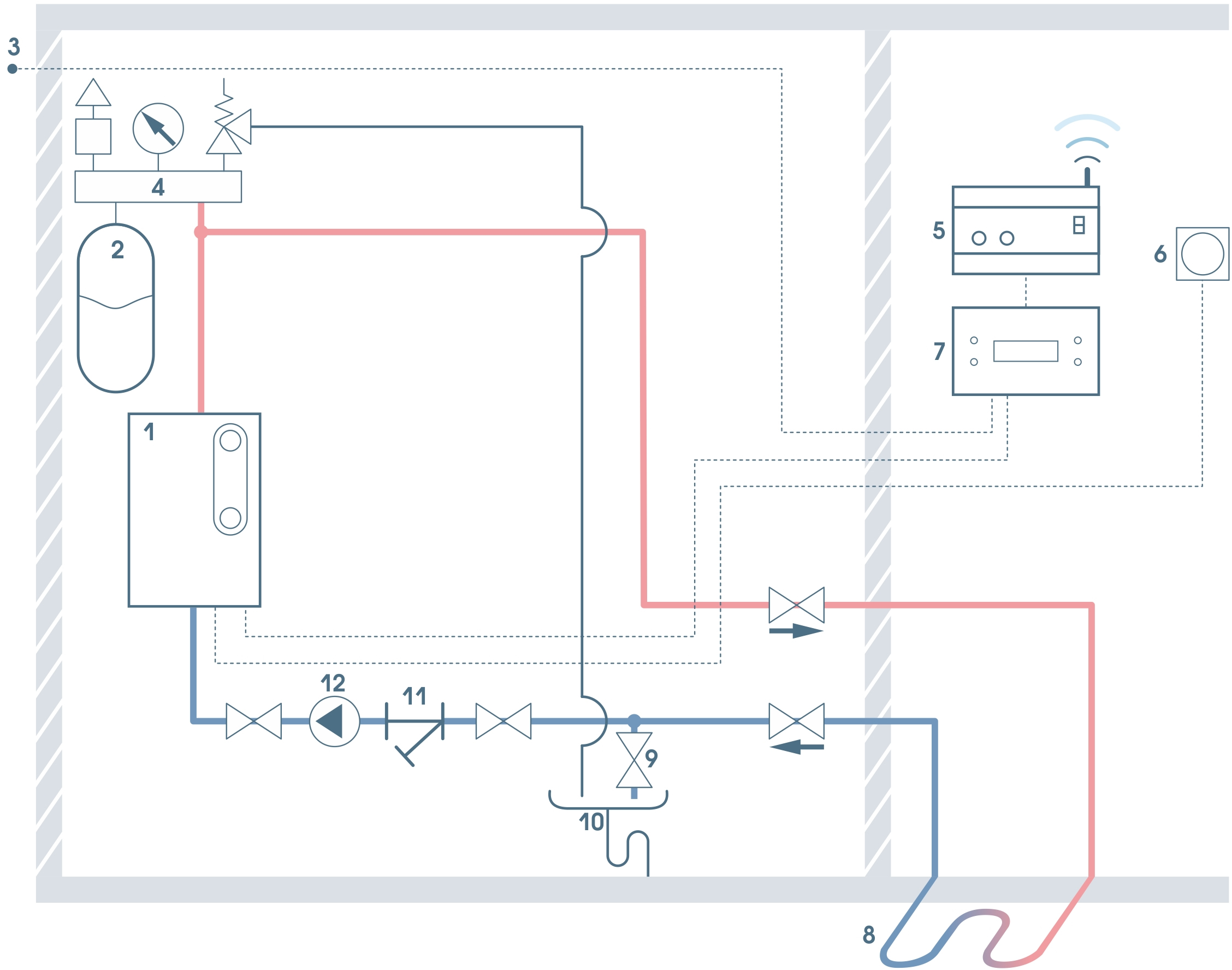
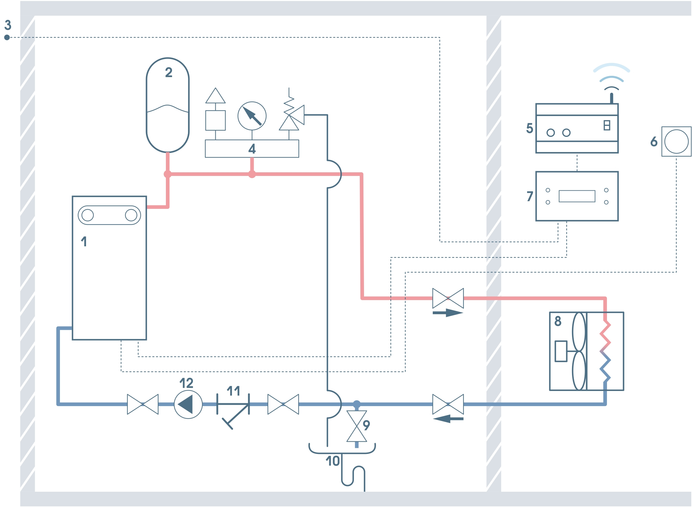
Варианты обвязки электрокотла
Электрокотел "Комфорт" с радиаторами или конвекторами Электрокотел "Комфорт" с радиаторами или конвекторами Электрокотел с теплым водяным полом Электрокотел с теплым водяным полом  Электрокотел с воздушно-отопительными приборами с водяным контуром Электрокотел с воздушно-отопительными приборами с водяным контуром Электрокотел с газовым или дизельным котлом Электрокотел с газовым или дизельным котлом Электрокотел с твердотопливным котлом Электрокотел с твердотопливным котлом Электрокотел с водонагревателем накопительного типа с внешним пластинчатым теплообменником. Электрокотел с водонагревателем накопительного типа с внешним пластинчатым теплообменником.  Электрокотел с водонагревателем накопительного типа с внутренним трубчатым теплообменником. Электрокотел с водонагревателем накопительного типа с внутренним трубчатым теплообменником.  Электрокотел с аккумуляционной накопительной ёмкостью Электрокотел с аккумуляционной накопительной ёмкостью  Электрокотел параллельно с централизованной системой теплоснабжения Электрокотел параллельно с централизованной системой теплоснабжения  Электрокотел с централизованной системой теплоснабжения с закрытым контуром Электрокотел с централизованной системой теплоснабжения с закрытым контуром
Документы
Вид Наименование продукции Листовка Каталог продукции Паспорт продукции Схемы 2D Схемы 3D Сертификаты качества Схемы обвязки Фотографии
Электрокотлы "Невский" Комфорт 5-30 кВт